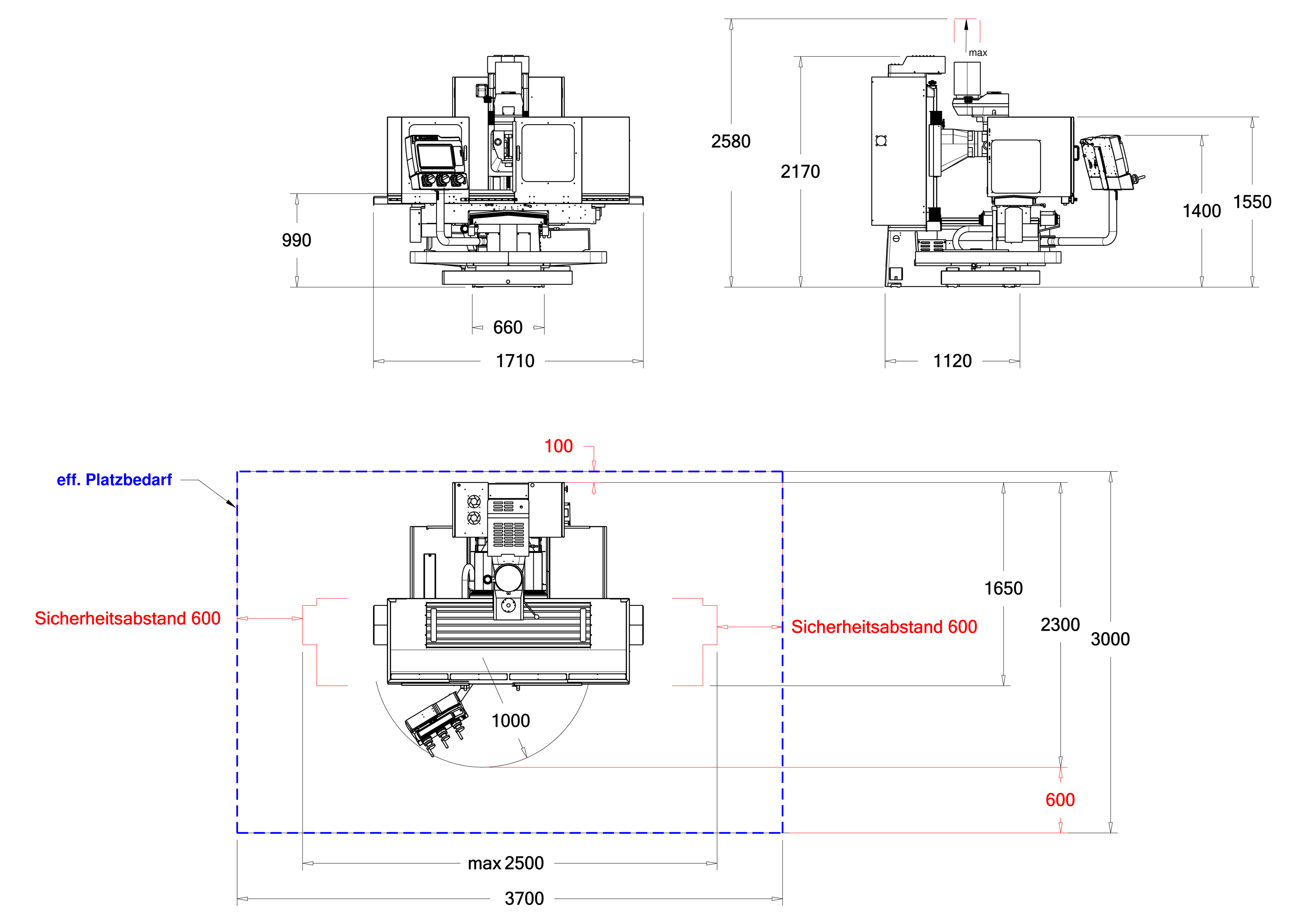
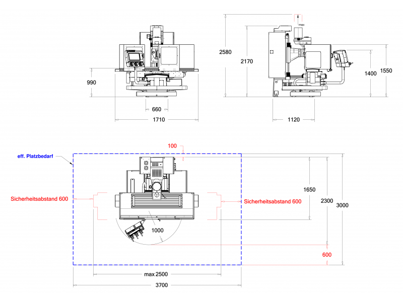
1 480 mm Fahrweg mit hinterer Y-Führungsabdeckung aus Kunststoff
ProtoTRAK® RMX Steuerung für Fräsmaschinen
Neue Funktionen
15,6” Touch Screen
Gestengesteuerter Bildschirm
Wischen, schwenken, zoomen
Flyout Windows für Zugriff auf Infos
EPA (ProtoTRAK-Unterstützung, Hilfe)
Standard-Steuerungseinstellungen
Touchscreen Tastatur
Flyout Touchscreen Rechner
Touchscreen Override Potenziometer für Drehzehl und Vorschub
Mathematische Hilfe
Erweitertes Trochoidalfräsen
Flexibler Grafik- und Programmierbereich
Verbesserte Funktionen für Taschen und Inseln
Verbesserte Funktionen für Flächenbearbeitung
Leicht zu reinigende Tastatur
Benutzerfreundliche Bedienung
Ergonomisch gestaltet
Übersichtliches Farbdisplay
Grafische Werkstück-Simulation
Tabellen Editier-Funktion
Mehrfache Werkstückspannung
Programmierung von Maschinen-Funktionen
Satz-Kommentare
G-Code Editor
Bearbeitungszeit-Zähler
Kopieren mit oder ohne Offsets
Zwischenspeicher
Zapfenfräs-Funktion
Software für die Retromill RMX Steuerung
Merkmale - Allgemeine Bedienung
Klare, übersichtliche Bildschirmdarstellung
Flyout-Fenster für sofortigen Zugriff auf Funktionen und Informationen
Verbesserte ProtoTRAK-Hilfe
Programmiervorgaben zur Vereinfachung der Teileprogrammierung
Satz Option zur Änderung von Standard-Einstellungen oder zur Auswahl zusätzlicher Funktionen
QWERTY-Touchscreen-Tastatur
Taschenrechner
Dateneingaben im Dialog
Deutsche Sprache - keine Codes
Softkeys - ändern sich je nach Betriebsart
Windows®-Betriebssystem
Wählbar Zwei- oder Drei-Achsen-CNC
Farbige Grafiken mit einstellbarer Ansicht
Gesten-gesteuert, schwenken, zoomen, drehen
Inch/mm-Umwandlung
Bequeme Auswahl von Betriebsarten
Netzwerkanschluss
Programm-Funktionen
Zirkulare Interpolation
Lineare Interpolation
Trochoidal oder Taumel Fräsen (Optional)
Programmierung von Geometrien
Werkzeugbahn-Programmierung
Auto Geometry Engine® - Automatisches Berechnen fehlenden Daten
Alphanumerische Programmnamen
Automatische Skalierung
Verschachtelung
Mehrere Aufspannungen (Optional)
Inkrementale und absolute Masseingabe
Automatische Werzeugradiuskorrektur
Einfaches Editieren von Programmdaten
Grafische Darstellung der Kontur während der Programmierung
Wählbare Grösse der Anzeige von Grafik- und Dialogfeld
Grafische Einzelschritt Anzeige
Streichen durch programmierte Zyklen
Grafische Anzeige der programmierten Werkzeugbahn
3D Werkstück-Anzeige
Betriebsart Manuell
Inkrementale und absolute Masse
Touchscreen Potentiometer für Achsvorschub und Spindeldrehzahl
Tip Taste für den Eilgang
Automatischer Vorschub X, Y oder Z
Teach-in von manuellen Koordinaten
mit El.-Handrad vorgewähltes Mass anfahren (optional)
Automatisches Anfahren von absolut Null
Werkzeugkorrekturen aus dem Werkzeugarchiv
Automatisches Berrechnen des Linienmittelpunktes
Automatisches Berrechnen des Kreismittelpunktes
Standard Zyklen
Position
Bohren, Ausdrehen, Gewindebohren, Bohrbild
Lochkreis, Ausdrehen, Gewindebohren
Fräsen
Bogen
Kreis Rahmen
Rechteck Rahmen
Freiform Rahmen (mit Auto Geometry Engine)
Planfräsen
Kreis Tasche
Rechteckige Tasche
Freiform Tasche (mit Auto Geometry Engine)
Taschen mit kreisförmigen, rechtwinkligen und Freiform Inseln
Unterprogramm Repetieren
Unterprogramm Spiegeln
Unterprogramm Rotieren
Helix
Programm-Pause
Maschinen-Funktionen
Programmierung & Steuerung von:
Kühlmittel
Luft oder Sprühkühlung
Teilapparat, Indexer
Programmierbares Ausgangssignal
Option Erweiterte Funktionen
Trochoidal Taschenschruppen
3D-Model Simulation Werkstück und Werkzeugbahn
Separates Schlicht Werkzeug
Restmaterial-Bearbeitung
Mehrfache Werkstückspannung offset
Satz-Kommentare
G-Code-Editor
Gravieren
Gravieren Spiegel-, Schräg-, Bogenschrift
Gewindefräsen
Kopieren Repetieren
Kopieren Spiegeln
Kopieren Rotieren
Kopieren der Bohrungskoordinaten für Gewindebohrungen
Werkzeug-Archiv
Wegfahrfunktion zum Späne entfernen
Zwischenablage
Option Zapfen Fräsen
Mit der Option Zapfen Fräsen wird das zu entfernende Material von aussen nach innen entfernt werden, so dass nur die gewünschten Erhebungen und Profile übrig bleiben. Diese Option kann einfach an der Maschine programmiert werden und funktioniert sowohl mit DXF- als auch mit Parasolid-Modellen.
Parasolid-Dateikonverter-Option
Importieren und Konvertieren von 3D-CAD-Daten in ProtoTRAK-Programme
X_T-Dateien
X-, Y- und Z-Bemassungen werden in Programm-Zyklen übertragen
2D- und 3D-Ansichten von Teilen
Hinzufügen oder Entfernen von Geometrie
Verkettung
Einfacher Prozess, der direkt an der Maschine oder im Offline Programm durchgeführt werden kann
DXF-Dateikonverter Option
Importieren und Konvertieren von CAD-Daten in ProtoTRAK-Programme
DXF- oder DWG-Dateien
Verbinden von Bogen, Linien
Automatisches Schliessen von Lücken
Layer-Steuerung
Einfacher Prozess, der direkt an der Maschine oder im Offline Programm durchgeführt werden kann
Option zur Offline-Programmierung
ProtoTRAK RMX-Benutzeroberfläche für Windows-PC
Programmieren von Werstücken und Simulieren CNC Berbeitungen
Ändern von Dateien aus aktuellen und früheren ProtoTRAK-Modellen